トップ > 多点信号伝送(片方向、双方向) > プレス機向けTSLOTシリーズ RPT8-TSLOTD/N/P_PU__/RPE8-TSLOTN/P-PU__
プレス機向けTSLOTシリーズ RPT8-TSLOTD/N/P_PU__/RPE8-TSLOTN/P-PU__
※同業他社の方のご注文はお断りさせていただく場合がございますので、予めご了承くださいませ。
 |
1464pt |
GMOポイントは
ショッピングモールやサービスの垣根なく
多くのネットショップや複数のサービスで
利用する事ができる共通ポイントです。
配送料について
【お気軽にお問い合わせください】
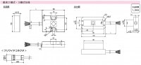
プレス機のT-SLOT形状のリモートシステムです。8点のセンサ信号と電力を非接触で伝送します!
| |